News:

        New Products
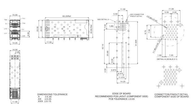
        Your present location:Home >> Products >> SFP Series >> 2x1 SFP-A
        Product Details
        • Product Name: 2x1 SFP-A
        • Product ID: 2x1 SFP-A
        • Added time: 2011-12-01
        • Product Name: 2x1 SFP-A